スタンダードラック・ロングラック
スタンダードラック・ロングラック
ラック形非常用放送設備 ラック形非常用放送設備/電力増幅架 WL-8000A/8500A、WP-8000/8500

ラック形非常用放送設備/電力増幅架

本体希望小売価格 オープン価格 WL-8000A (スタンダードラック) WL-8500A (ロングラック) <認評放第26~15号> WP-8000 (スタンダードラック) WP-8500 (ロングラック) <認評放第18~13~2号>

ラック形非常用放送設備/電力増幅架 WL-8000A/8500A、WP-8000/8500 Series Main Image

ラック形非常用放送設備/電力増幅架 WL-8000A/8500A、WP-8000/8500

  • WL-8500A
  • WP-8500
  • WL-8000A
  • WP-8000

主な機能・特長

  • 非常放送機能

  • 緊急放送機能

  • 業務放送機能

  • チャイム・メッセージ放送機能

  • 緊急地震放送対応

ラック形非常用放送設備、およびユニットを収納する電力増幅架です。

ラック形非常用放送設備/電力増幅架 WL-8000A/8500A、WP-8000/8500

強み・特長

非常放送機能


  • 340局340 回線。
  • 非常リモコン8台まで接続可能。
  • 100の階情報を内蔵。増設も可能。
  • 火災放送(階情報)に連動したフロアのローカルアンプ電源を遮断(非常制御出力ユニットを使用し、制御線のフロア別配線をした時)。

※日本語、英語の他に、出荷時内蔵の基本文および出火階情報100種類を中国語、韓国語に翻訳・内蔵した音声メモリー(SDメモリーカード)も販売中です。詳しくは、販売店にお問合せください。


緊急放送機能


  • マイクや緊急メッセージを使用した放送が可能。
    1. 緊急放送スイッチからの放送(スイッチ3 個に設定可)。
    2. センサー(接点)等からの外部起動による放送(緊急メッセージ、放送エリア[回線]および優先順位を設定可能)。
    3. 緊急放送時のローカルアンプ電源遮断設定が可能(緊急放送の徹底)。
  • 緊急メッセージ内蔵(業務用との合計:20 種類 合計5分)。
  • (公社)日本防犯設備協会 技術標準に準拠した「防犯警報音」も内蔵。

業務放送機能


  • マルチリモコンマイク8台まで接続可能。
  • リモコンマイク6台まで接続可能。
  • プログラムコントローラー等からの外部起動による放送(業務メッセージ、放送エリア[回線]および優先順位を設定可能)。
  • 手動スイッチを用いたメッセージ(音源再生)放送が可能(専用の増設用非常操作ユニット:20局使用時)。
  • オリジナルコールサインの設定、割付が可能。
  • 最大で多元放送32 入力×8出力 or 8入力×32出力が可能(マトリクスユニット16台使用時)。
  • 業務メッセージ内蔵(緊急用との合計:20 種類、合計5 分)。
  • オリジナルコールサインの内蔵(6 種類:30 秒)。
  • 停電時に緊急放送や業務放送をおこなうには、別途非常電源ユニット(WP-570B)およびバッテリー(NCB-350またはNCB-600[生産完了品])が必要です。

チャイム・メッセージ放送機能

「ウエストミンスターの鐘」、「おもいで」のチャイム音源を内蔵しました。また、メッセージも「避難訓練放送」、「省エネ放送」などを内蔵していますので、ニーズにあわせた放送が可能です。
※放送時間の設定には、プログラムコントローラーが必要です。

緊急地震放送対応

消防法改正による緊急地震放送に対応。非常放送に優先して緊急地震放送をおこなうことができます。
また、従来からの緊急放送モードを用いて緊急地震放送をおこなうことも可能で、建物や施設に応じて、2通りの緊急地震放送を選択することが可能です。緊急地震速報受信端末を接続しない場合は、従来どおりの非常用放送設備として使用できます。
※緊急放送モードで緊急地震放送を行う場合は、非常放送が優先されますが、ニーズにあわせたメッセージ放送が可能です。

緊急地震放送対応

SDカードスロット搭載

SDカードスロットに、SD/SDHCメモリーカード (別売)を挿入し設定データや内蔵音源メッセージの書き込み/読み出し、システムの動作履歴を本体より収集できます。

SDカードスロット搭載

消防法改正 緊急地震放送対応

非常放送に優先して、緊急地震放送をおこなうことができます。
停電時に非常放送用の非常電源を使用することが可能です。

消防法施行規則等の一部を改正する省令(平成21 年総務省令第93 号)および非常警報設備の基準の一部を改正する件(平成21 年消防庁告示第22 号)を満たす、一般社団法人 電子情報技術産業協会発行の「緊急地震速報に対応した非常用放送設備に関するガイドライン」に準じた緊急地震放送をおこなうことができます。


新機能 消防法改正 緊急地震放送対応

日本消防検定協会認定評価品 型式番号一覧

品名 品番 型式番号
スタンダードラック形非常用放送設備 WL-8000A 認評放第26〜15号
ロングラック形非常用放送設備 WL-8500A
電力増幅架(スタンダードラック) WP-8000 認評放第18〜13〜2号
電力増幅架(ロングラック) WP-8500
非常リモコン WR-EC500A 認評放第26 〜16号

内蔵コールサイン音源

No. コールサイン音源名
1 上り4 音 出荷時の設定コールサイン音源(書き換えできません)
2 下り4 音
3 下り2 音 書き換え可能の内蔵コールサイン音源
4 上り2 音
5 上り4 音(早いテンポ) 書き換え可能の内蔵コールサイン音源
6 下り4 音(早いテンポ)
7 5 音2 回
8 4 音1 回

出荷時の内蔵メッセージ

1 緊急地震訓練(NHK) 訓練。訓練。ピロンポローン、ピロンポローン。これは緊急地震速報の訓練です。……
2 緊急地震訓練(REIC) 訓練。訓練。ヒュン、ヒュン、ヒュン。これは緊急地震速報の訓練です。……
3 緊急地震誤報放送 先ほどの緊急地震放送は確認の結果誤りでした。ご安心ください。
4 地震発生放送 ただいま地震が発生しました。当施設は耐震化されていますので……
5 訓練予告放送 ただいまより、避難訓練を行います。訓練用の非常放送が流れます。
6 火災訓練 訓練火災発生!訓練火災発生!フィーフォー・フィーフォー・フィーフォー……
7 防犯1 現在、警備中です。速やかに退出をお願いします。
8 防犯2 このエリアの防犯設備が作動しました。
9 防犯3 まもなく、警備を開始します。速やかに退出してください。……
10 ノー残業デー みなさんお仕事お疲れ様です。本日は定時退社推奨日です。……
11 閉館 本日はご来場ありがとうございました。本施設はまもなく閉館いたします。……
12 省エネ 不要な照明は消して、省エネルギーにご協力をお願い致します。
13 禁煙放送 ご来場の皆様に、ご案内申し上げます。場内は禁煙になっております。……
14 停電放送 ただいま停電が発生しております。原因を調査中ですので、……
15 時刻放送 まもなく面会の時間が終了します。面会に来られた方は……
16 点検放送1 ただ今、拡声放送設備の試験を行っております。ご迷惑をおかけしますが、……
17 点検放送2 ただいまより、非常放送設備の点検を行います。サイレンが流れますが、……
18 蛍の光 フルコーラス(50 秒程度)
19 サイレン ウーウーウー(サイレン音)
20 防犯 シグナル音(日本防犯設備協会 技術基準 準拠音源)

※NHKチャイム音は、NHKの著作物です。著作権その他権利はすべてNHKに帰属します。
 REICサイン音の著作権は、特定非営利活動法人リアルタイム地震・防災情報利用協議会に帰属します。

設定支援ソフトウェア

設定支援ソフトは、以下よりダウンロードして下さい。

ファイル サイズ バージョン 公開日
設定支援ソフトウェア セットアップファイル
[ただいま設定ソフトのダウンロードを停止しております]
20MB - 2022年7月21日
設定支援ソフト 取扱説明書(PDF) 37MB

推奨OS:Microsoft Windows10 Pro 日本語版

※非常放送の設定は変更しないようお願いいたします。変更の内容によっては消防立会検査が必要となる場合がございます。

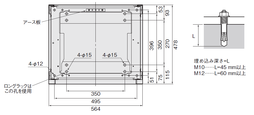
寸法図(単位:mm)

WL-8500A/WP-8500


WL-8500A/WP-8500

WL-8000A/WP-8000


WL-8000A/WP-8000

基台


基台
WL-8500A WP-8500 WL-8000A WP-8000
電源
AC100 V 50 Hz/60 Hz
AC100 V 50 Hz/60 Hz
AC100 V 50 Hz/60 Hz
AC100 V 50 Hz/60 Hz
ユニット収納スペース (1U=44.45 mm)
27U (ラック本体41U)
38U (ラック本体41U)
15U (ラック本体29U)
26U (ラック本体29U)
寸法
564 mm(幅)×2 000 mm(高さ)× 478 mm(奥行)
564 mm(幅)×2 000 mm(高さ)× 478 mm(奥行)
564 mm(幅)×1 465 mm(高さ)× 478 mm(奥行)
564 mm(幅)×1 465 mm(高さ)× 478 mm(奥行)
質量
約95 kg
約75 kg
約82 kg
約62 kg

注釈

パナソニック システムお客様ご相談センター

購入、製品に関するご相談は、下記よりお問い合わせください。

ガイダンスの5番を押してください。

受付時間 9:00~17:30(土・日・祝日は受付のみ)